| SUS-SJ中軽荷重 プレート自在式 ステンレス | |||||||||||
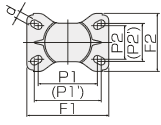
![]() |
|||||||||||
| 車輪径 D(o) |
型式 | 車輪材質 ()内はホイール |
ベアリング | ストッパー | 許容荷重 (s) |
取付高 H(o) |
取付ピッチ P1×P2(o) |
プレート寸法 F1×F2(o) |
偏心 E(o) |
取付穴径 d(o) |
軸径 |
| 65 | SUS-SJ-65R | ゴム | S | 50 | 85 | 55×42 | 70×58 | 29 | 8.8 | 8 | |
| SUS-SJ-65N | ナイロン | 70 | |||||||||
| SUS-SJ-65U | ウレタン | ||||||||||
| SUS-SJ-65UB | ○ | ||||||||||
| 75 | SUS-SJ-75R | ゴム | S | 60 | 93 | 28 | |||||
| SUS-SJ-75N | ナイロン | 80 | |||||||||
| SUS-SJ-75U | ウレタン | ||||||||||
| SUS-SJ-75UB | ○ | ||||||||||
| 100 | SUS-SJ-100R | ゴム | S | 120 | 132 | 68×68 (71×71) |
90×90 | 35 | 11.0 | 12 | |
| SUS-SJ-100RB | ○ | ||||||||||
| SUS-SJ-100N | ナイロン | ||||||||||
| SUS-SJ-100NB | ○ | ||||||||||
| SUS-SJ-100UB | ウレタン | ||||||||||
| 125 | SUS-SJ-125R | ゴム | S | 150 | 168 | 75×75 (80×80) |
102×102 | 38 | |||
| SUS-SJ-125RB | ○ | ||||||||||
| SUS-SJ-125N | ナイロン | ||||||||||
| SUS-SJ-125NB | 〇 | ||||||||||
| SUS-SJ-125UB | ウレタン | ||||||||||
| 150 | SUS-SJ-150R | ゴム | S | 160 | 190 | 41 | |||||
| SUS-SJ-150RB | ○ | ||||||||||
| SUS-SJ-150N | ナイロン | ||||||||||
| SUS-SJ-150NB | 〇 | ||||||||||
| SUS-SJ-150UB | ウレタン | ||||||||||
| SUS-SK中軽荷重 プレート固定式 ステンレス | |||||||||
![]() ![]() ![]() |
|||||||||
| 車輪径 D(o) |
型式 | 車輪材質 ()内はホイール |
ベアリング | 許容荷重 (s) |
取付高 H(o) |
取付ピッチ P1×P2(o) |
プレート寸法 F1×F2(o) |
取付穴径 d(o) |
軸径 |
| 65 | SUS-SK-65R | ゴム | 50 | 85 | 55×28 | 70×47 | 8.8 | 8 | |
| SUS-SK-65N | ナイロン | 70 | |||||||
| SUS-SK-65U | ウレタン | ||||||||
| SUS-SK-65UB | ○ | ||||||||
| 75 | SUS-SK-75R | ゴム | 60 | 93 | |||||
| SUS-SK-75N | ナイロン | 80 | |||||||
| SUS-SK-75U | ウレタン | ||||||||
| SUS-SK-75UB | ○ | ||||||||
| 100 | SUS-SK-100R | ゴム | 120 | 132 | 80×45 (90×50) |
110×78 | 11.0 | 12 | |
| SUS-SK-100RB | ○ | ||||||||
| SK-100N | ナイロン | ||||||||
| SK-100NB | ○ | ||||||||
| SK-100UB | ウレタン | ||||||||
| 125 | SUS-SK-125R | ゴム | 150 | 168 | 100×56 (112×53) |
140×94 | |||
| SUS-SK-125RB | ○ | ||||||||
| SUS-SK-125N | ナイロン | ||||||||
| SUS-SK-125NB | 〇 | ||||||||
| SUS-SK-125UB | ウレタン | ||||||||
| 150 | SUS-SK-150R | ゴム | 160 | 190 | |||||
| SUS-SK-150RB | ○ | ||||||||
| SUS-SK-150N | ナイロン | ||||||||
| SUS-SK-150NB | 〇 | ||||||||
| SUS-SK-150UB | ウレタン | ||||||||